数字通信
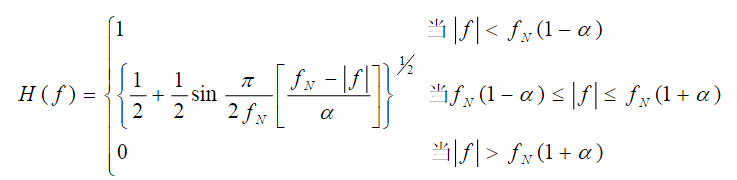
载波同步
直接恢复法 常用的方法是 Costas 环,原理框图如下:
假设 NCO 输出的正交载波信号为:
$\begin{aligned}y_1&=\cos(w_ct+\theta)\y_2&=\sin(w_ct+\theta)\end{aligned}$
$\theta$ 为解调端…
符号同步
通信过程中,在接收机中,信号经过 AD 采样后,经过处理后,最后需要通过抽样器抽样判决还原出原始的信号,抽样器工作的时钟被称为符号时钟,接收器提取符号时钟的方法称为符号同步或者定时恢复。 常用的符号同步方法有三种,传统模拟方法,模数混合方法,全数字方法。
其中模拟方法和模数混合…
DVB-S学习记录-信道编码
经过信源编码和系统复接后生成的节目传送码流,通常需要通过某种传输媒 介才能到达用户接收机。通常情况下,编码码流并不能直接通过信道传输,必须经过信道编码后,使其变成适合在信道中传输的形式后再进行传输。 DVB-S 的信道编码主要包括
扰码
R-S 编码
卷积交织
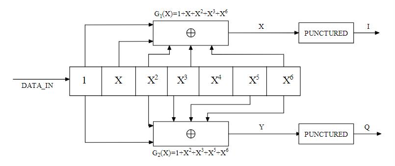
卷积编码
扰…
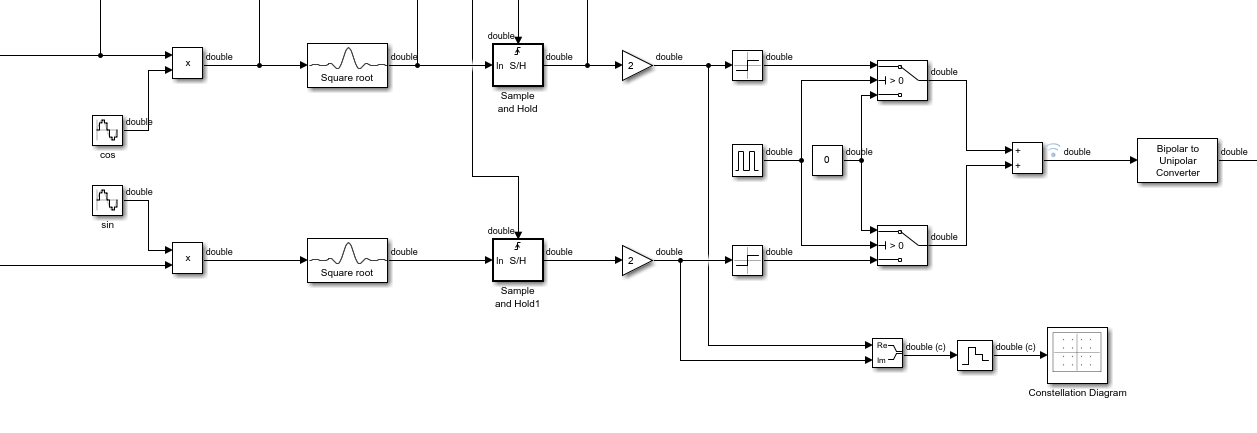
QPSK simulink实现
调制部分 总体框架
各模块参数
升余弦滚降滤波器滚降系数为 1
单双极性变换
各阶段波形
Buffer
Demux
Raised Cosine Transmit Filter
QPSK 信号功率谱密度
解调部分
经过 AWGN 信道后,假设已经进行了载波同步
部分…
数字通信系统接收机部分关键技术总结
DVB-S [[QPSK 调制解调]]
[[同步和时钟恢复]]
前向纠错码解码
信道均衡
解扰
解复用

QPSK调制解调
DVB-S 使用 QPSK 的原因 选择调制方式的目的是为了传输信号的特性和传输信道相匹配,使得接收端能尽量无失真地接收信号
DVB-S 的卫星通信信道是一个带限非线性的恒参信道,对调制方式有以下要求:
由于卫星信道的非线性和 AM/PM 效应,要求已调波的包络是等幅的
由于卫…
同步和时钟恢复
QPSK 解调主要就是载波同步和位同步的过程 载波同步和位同步的恢复方式主要有两种,一种是基于前馈的补偿方式,另一种是基于反馈的锁相方式,分别对应全数字接收机中的开环方式和闭环方式
闭环同步方案采用反馈控制方案实现,Costas 环于 1956 年首次提出…
DVB-S学习记录-基本结构
DVB-S 发送端基本结构 接收


